PGD-FB 시리즈 막힌 구멍용 내경 플러그 게이지 (Blind Hole Bore Gauge)
바닥 1.2mm 초근접 측정, 공기 압축 방지(Air Relief), HRC 58-62 분말 공구강
📝 PGD-FB (블라인드 홀) 핵심 요약
✅ 1.2mm 극한의 측정 높이: 구멍 바닥에서 불과 1.2mm 떨어진 지점까지 내경을 측정하여 유효 깊이를 극대화합니다. (Φ14~60mm 기준)
✅ 테이퍼(Taper) 불량 검출: 드릴이나 엔드밀 마모로 인해 구멍 바닥 쪽이 좁아지는 가공 불량을 완벽하게 잡아냅니다.
✅ 공기 압축 방지 (Enclosed Cavity): 막힌 구멍 진입 시 발생하는 공기 압축(에어 포켓) 현상을 구조적으로 해결하여 수치 흔들림이 없습니다.
✅ 바닥 간섭 최소화: 센서가 헤드 끝단에 배치되어 바닥 R값이나 모서리 간섭을 피하면서 가장 깊은 곳을 측정합니다.
✅ 압도적 내구성: 바닥 긁힘이 잦은 환경을 고려하여 HRC 58-62의 고품질 분말 공구강(Powder Tool Steel)을 적용했습니다.
🏭 추천 적용 분야 (Applications)
유압 매니폴드 블록 (Hydraulic Manifolds): 복잡한 유로의 막힌 구멍 바닥까지 정확한 내경 공차가 유지되는지 확인해야 하는 정밀 부품.
CNC 가공품 테이퍼 검사: 공구 마모로 인해 구멍 깊은 곳의 치수가 작게 가공되는 '테이퍼 불량'을 선별해야 하는 공정.
자동차 엔진/변속기 부품: 유효 나사산 깊이나 핀 삽입 깊이를 최대로 확보해야 하는 막힌 구멍(Blind Hole) 전수 검사.
⚙️ 상세 사양 (Specifications)
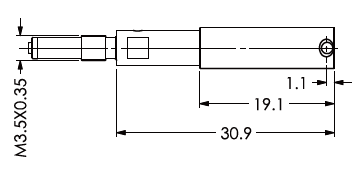
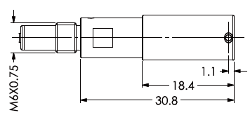
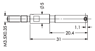
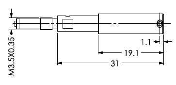
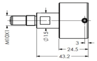
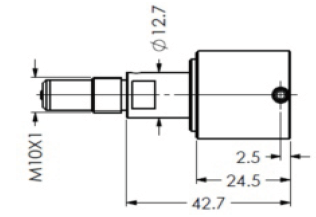
※ FB-타입은 구멍 바닥에 근접하여 측정합니다. 측정 범위별 제품 형상(도면) 및 측정점 높이를 반드시 확인하세요.
Probe Specification (측정 범위 & 도면)
Repeatability (반복 정밀도)
Probe Range (측정 유효 범위)
Connect Thread (연결 나사)
Measurement Point Height (측정점 높이) [mm]
Φ3.0 - 3.5
< 0.001
0.15
M3.5 x 0.35 (옵션: M11)
1
Φ3.5 - 4.0
< 0.001
0.15
M3.5 x 0.35 (옵션: M11)
1.1
Φ4.0 - 4.6
< 0.001
0.2 - 0.25
M3.5 x 0.35 (옵션: M11)
1.1
Φ4.6 - 5.8
< 0.001
0.2 - 0.25
M3.5 x 0.35 (옵션: M11)
1.1
Φ5.8 - 7.0
< 0.001
0.2 - 0.25
M3.5 x 0.35 (옵션: M11)
1.1
Φ7.0 - 9.0
< 0.001
0.2 - 0.25
M6 x 0.75 (옵션: M11)
1.1
Φ9.0 - 14.0
< 0.001
0.2 - 0.4
M6 x 0.75 (옵션: M11)
1.1
Φ14.0 - 25.0
< 0.001
0.2 - 0.4
M10 x 1 (옵션: M11)
1.5
Φ25.0 - 35.0
< 0.001
0.2 - 0.4
M10 x 1 (옵션: M11)
2.5
Φ35.0 - 45.0
< 0.001
0.2 - 0.4
M10 x 1 (옵션: M11)
3
Φ45.0 - 60.0
< 0.001
0.2 - 0.4
M10 x 1 (옵션: M11)
4.5
Φ60.0 - 200
< 0.0015
0.3 - 0.4
M10 x 1 (옵션: M11)
4.5
🏷️ 모델명 구성 (Ordering Info)
PGD-FB Series (블라인드 홀 FB-Type)
※ 구멍의 크기(Size)와 유효 깊이(Depth)를 알려주시면 최적의 모델을 선정해 드립니다.
PGD-FB-M3.5PGD-FB-M6PGD-FB-M10
❓ 자주 묻는 질문 (FAQ)
Q. 막힌 구멍에서 FB-타입을 써야 하는 이유는 무엇인가요? (1.2mm의 차이)
A. 표준형(B-타입)은 바닥에서 약 4.5mm 떨어진 곳을 측정하지만, FB-타입은 1.2mm(M10 기준) 지점을 측정합니다. 이는 가공 중 드릴 마모로 인해 구멍 깊은 곳이 좁아지는 '테이퍼 불량'을 잡아내거나, 유효 나사산을 끝까지 확보해야 하는 경우 대체 불가능한 솔루션입니다.
Q. 막힌 구멍에 게이지를 넣으면 공기 때문에 튀어나오지 않나요?
A. 일반 게이지는 주사기처럼 공기가 압축되어 수치가 흔들리지만, Dasqua FB-타입은 '밀폐형 캐비티(Enclosed Cavity)' 설계가 적용되어 있습니다. 내부로 공기가 역류하는 것을 방지하여, 막힌 구멍에서도 안정적인 수치를 제공합니다.
Q. 바닥을 긁으면서 측정해도 내구성에 문제가 없나요?
A. 네, 안심하셔도 됩니다. 바닥 측정 특성상 마찰이 잦을 수밖에 없으므로, 일반 강철보다 3~4배 내마모성이 뛰어난 분말 공구강(Powder Tool Steel, HRC 58-62)을 사용하여 제작되었습니다.
Dasqua (다스쿠아)
PGD-FB 시리즈 막힌 구멍용 내경 플러그 게이지 (Blind Hole Bore Gauge)
바닥 1.2mm 초근접 측정, 공기 압축 방지(Air Relief), HRC 58-62 분말 공구강
📝 PGD-FB (블라인드 홀) 핵심 요약
🏭 추천 적용 분야 (Applications)
⚙️ 상세 사양 (Specifications)
※ FB-타입은 구멍 바닥에 근접하여 측정합니다. 측정 범위별 제품 형상(도면) 및 측정점 높이를 반드시 확인하세요.
(측정 범위 & 도면)
(반복 정밀도)
(측정 유효 범위)
(연결 나사)
(측정점 높이) [mm]
(옵션: M11)
(옵션: M11)
(옵션: M11)
(옵션: M11)
(옵션: M11)
(옵션: M11)
(옵션: M11)
(옵션: M11)
(옵션: M11)
(옵션: M11)
(옵션: M11)
(옵션: M11)
🏷️ 모델명 구성 (Ordering Info)
PGD-FB Series (블라인드 홀 FB-Type)
※ 구멍의 크기(Size)와 유효 깊이(Depth)를 알려주시면 최적의 모델을 선정해 드립니다.
❓ 자주 묻는 질문 (FAQ)
Q. 막힌 구멍에서 FB-타입을 써야 하는 이유는 무엇인가요? (1.2mm의 차이)
A. 표준형(B-타입)은 바닥에서 약 4.5mm 떨어진 곳을 측정하지만, FB-타입은 1.2mm(M10 기준) 지점을 측정합니다. 이는 가공 중 드릴 마모로 인해 구멍 깊은 곳이 좁아지는 '테이퍼 불량'을 잡아내거나, 유효 나사산을 끝까지 확보해야 하는 경우 대체 불가능한 솔루션입니다.
Q. 막힌 구멍에 게이지를 넣으면 공기 때문에 튀어나오지 않나요?
A. 일반 게이지는 주사기처럼 공기가 압축되어 수치가 흔들리지만, Dasqua FB-타입은 '밀폐형 캐비티(Enclosed Cavity)' 설계가 적용되어 있습니다. 내부로 공기가 역류하는 것을 방지하여, 막힌 구멍에서도 안정적인 수치를 제공합니다.
Q. 바닥을 긁으면서 측정해도 내구성에 문제가 없나요?
A. 네, 안심하셔도 됩니다. 바닥 측정 특성상 마찰이 잦을 수밖에 없으므로, 일반 강철보다 3~4배 내마모성이 뛰어난 분말 공구강(Powder Tool Steel, HRC 58-62)을 사용하여 제작되었습니다.
- 제품의 사양 및 옵션은 데이터시트를 참고하여 주시고, 자세한 내용은 문의 바랍니다.
- 사양은 성능 개선을 위해 예고 없이 변경될 수 있습니다.
📧 haiam@haiam.com 문의하기