PGD-T 시리즈 관통형 내경 플러그 게이지 (Through-hole Bore Gauge)
자동 중심 정렬(Self-centering), 긴 가이드 노즈, 텀블링 오차 방지
📝 PGD-T (관통형) 핵심 요약
✅ 자동 중심 정렬 (Self-centering): 긴 가이드 노즈(Guide Nose)가 구멍에 먼저 진입하여, 게이지가 기울어지는 텀블링(Tumbling) 현상을 원천 차단합니다.
✅ 관통홀 최적화: 링 게이지나 파이프처럼 앞뒤가 뚫린 구멍 측정 시, 비스듬히 들어가는 실수를 막아주어 빠르고 정확한 전수 검사가 가능합니다.
✅ 깊은 측정점 (Deep Point): 입구 변형을 피해 구멍 안쪽 깊은 곳(최대 9mm)을 측정하므로 데이터 신뢰성이 매우 높습니다.
✅ 압도적 내구성: HRC 58-62의 고품질 분말 공구강(Powder Tool Steel)을 사용하여 일반 강철 대비 3~4배 긴 수명을 자랑합니다.
✅ 옵션 유연성: 거친 현장 환경을 위해 연결 나사부를 M11로 강화한 옵션을 선택할 수 있습니다.
🏭 추천 적용 분야 (Applications)
링 게이지 교정 및 검사 (Master Ring Gauge): 측정기가 기울어지면 치수가 작게 측정되는 오류가 발생하기 쉬운 링 게이지 검사에 필수적입니다.
긴 파이프 및 실린더 (Long Pipes): 입구에서 중심을 잡아주는 가이드 덕분에 깊은 파이프 내부의 내경을 안정적으로 측정할 수 있습니다.
자동차/유압 부품 양산 라인: 검사 속도가 중요한 전수 검사 공정에서 게이지 정렬 시간을 단축시켜 작업 효율을 극대화합니다.
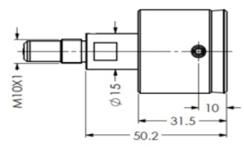
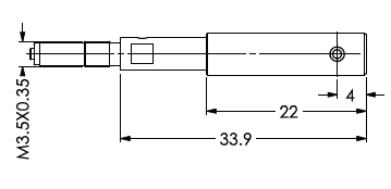
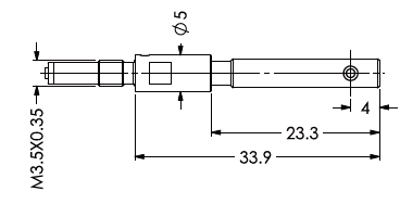
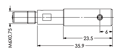
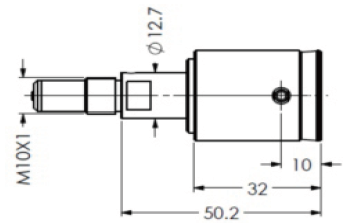
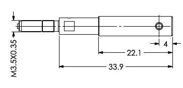
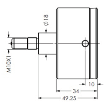
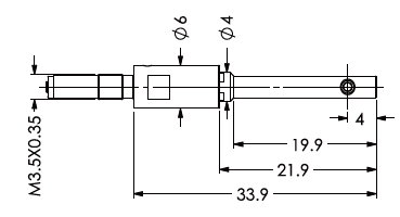
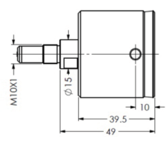
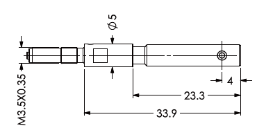
⚙️ 상세 사양 (Specifications)
※ 측정 범위별 제품 형상(도면) 및 상세 규격은 아래 표를 참고하세요.
Probe Specification (측정 범위 & 도면)
Repeatability (반복 정밀도)
Probe Range (측정 유효 범위)
Connect Thread (연결 나사)
Measurement Point Height (측정점 높이) [mm]
Φ3.0 - 3.5
< 0.001
0.15
M3.5 x 0.35 (옵션: M11)
4
Φ3.5 - 4.0
< 0.001
0.15
M3.5 x 0.35 (옵션: M11)
4
Φ4.0 - 4.6
< 0.001
0.2 - 0.25
M3.5 x 0.35 (옵션: M11)
4
Φ4.6 - 5.8
< 0.001
0.2 - 0.25
M3.5 x 0.35 (옵션: M11)
4
Φ5.8 - 7.0
< 0.001
0.2 - 0.25
M3.5 x 0.35 (옵션: M11)
4
Φ7.0 - 9.0
< 0.001
0.2 - 0.25
M6 x 0.75 (옵션: M11)
6
Φ9.0 - 14.0
< 0.001
0.2 - 0.4
M6 x 0.75 (옵션: M11)
6
Φ14.0 - 25.0
< 0.001
0.2 - 0.4
M10 x 1 (옵션: M11)
9
Φ25.0 - 35.0
< 0.001
0.2 - 0.4
M10 x 1 (옵션: M11)
10
Φ35.0 - 45.0
< 0.001
0.2 - 0.4
M10 x 1 (옵션: M11)
10
Φ45.0 - 60.0
< 0.001
0.2 - 0.4
M10 x 1 (옵션: M11)
10
Φ60.0 - 200
< 0.0015
0.3 - 0.4
M10 x 1 (옵션: M11)
10
❓ 자주 묻는 질문 (FAQ)
Q. 왜 관통형 구멍에는 T-타입을 써야 하나요? (안정성)
A. T-타입은 측정 센서 앞부분에 긴 '가이드 노즈(Guide Nose)'가 설계되어 있습니다. 이 가이드가 구멍에 먼저 들어가 자리를 잡아주기 때문에(Self-centering), 측정 시 게이지가 비스듬히 기울어지는 것을 방지합니다. 링 게이지나 긴 파이프 측정 시 필수적입니다.
Q. '측정점 높이'가 높다는 것이 무슨 의미인가요?
A. 측정 센서가 바닥(게이지 끝단)에서 얼마나 위쪽에 있는지를 뜻합니다. T-타입은 B-타입보다 측정점이 더 깊은 곳(예: M10 기준 6.0mm)에 위치하여, 구멍 입구의 거스러미(Burr)나 형상 변형을 피해 더 안쪽의 정확한 치수를 측정할 수 있습니다.
Q. 막힌 구멍(Blind Hole)에도 사용할 수 있나요?
A. 권장하지 않습니다. T-타입은 앞부분에 가이드가 튀어나와 있어 구멍 바닥까지 끝까지 측정할 수 없습니다. 바닥이 막힌 구멍을 측정해야 한다면, 측정점이 바닥에 가까운 FB-타입(블라인드 홀용)이나 B-타입을 선택하시기 바랍니다.
Dasqua (다스쿠아)
PGD-T 시리즈 관통형 내경 플러그 게이지 (Through-hole Bore Gauge)
자동 중심 정렬(Self-centering), 긴 가이드 노즈, 텀블링 오차 방지
📝 PGD-T (관통형) 핵심 요약
🏭 추천 적용 분야 (Applications)
⚙️ 상세 사양 (Specifications)
※ 측정 범위별 제품 형상(도면) 및 상세 규격은 아래 표를 참고하세요.
(측정 범위 & 도면)
(반복 정밀도)
(측정 유효 범위)
(연결 나사)
(측정점 높이) [mm]
(옵션: M11)
(옵션: M11)
(옵션: M11)
(옵션: M11)
(옵션: M11)
(옵션: M11)
(옵션: M11)
(옵션: M11)
(옵션: M11)
(옵션: M11)
(옵션: M11)
(옵션: M11)
❓ 자주 묻는 질문 (FAQ)
Q. 왜 관통형 구멍에는 T-타입을 써야 하나요? (안정성)
A. T-타입은 측정 센서 앞부분에 긴 '가이드 노즈(Guide Nose)'가 설계되어 있습니다. 이 가이드가 구멍에 먼저 들어가 자리를 잡아주기 때문에(Self-centering), 측정 시 게이지가 비스듬히 기울어지는 것을 방지합니다. 링 게이지나 긴 파이프 측정 시 필수적입니다.
Q. '측정점 높이'가 높다는 것이 무슨 의미인가요?
A. 측정 센서가 바닥(게이지 끝단)에서 얼마나 위쪽에 있는지를 뜻합니다. T-타입은 B-타입보다 측정점이 더 깊은 곳(예: M10 기준 6.0mm)에 위치하여, 구멍 입구의 거스러미(Burr)나 형상 변형을 피해 더 안쪽의 정확한 치수를 측정할 수 있습니다.
Q. 막힌 구멍(Blind Hole)에도 사용할 수 있나요?
A. 권장하지 않습니다. T-타입은 앞부분에 가이드가 튀어나와 있어 구멍 바닥까지 끝까지 측정할 수 없습니다. 바닥이 막힌 구멍을 측정해야 한다면, 측정점이 바닥에 가까운 FB-타입(블라인드 홀용)이나 B-타입을 선택하시기 바랍니다.
- 제품의 사양 및 옵션은 데이터시트를 참고하여 주시고, 자세한 내용은 문의 바랍니다.
- 사양은 성능 개선을 위해 예고 없이 변경될 수 있습니다.
📧 haiam@haiam.com 문의하기