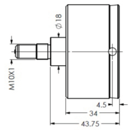
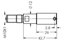
✅ 최적 측정 위치 (Golden Zone): 구멍 입구(Edge) 변형을 피해 가장 신뢰할 수 있는 깊이(주력 모델 기준 4.5mm)에서 내경을 측정합니다.
✅ 압도적 내마모성: 고품질 분말 공구강(Powder Tool Steel)을 사용하여 일반 강철 대비 3~4배 긴 수명을 자랑합니다.
✅ 회전 측정 안정성: 접선 마찰 오차를 최소화한 설계로 게이지를 회전시켜도 지시치가 흔들리지 않습니다.
✅ 플로팅 엘라스토머: 유연한 반동 동작과 넓은 측정 범위로 잦은 사용에도 정밀도를 유지합니다.
✅ M11 강화형 옵션: 험한 현장 환경을 위해 연결 나사부를 M11로 강화한 옵션을 선택할 수 있습니다.
🏭 추천 적용 분야 (Applications)
자동차 엔진 부품 (Engine Components): 커넥팅 로드, 밸브 가이드 등 입구 가공 오차를 피해 정확한 내경 측정이 필요한 부품
유압/공압 실린더 (Hydraulic Cylinders): 진원도와 표면 조도가 중요하며, 내벽 스크래치 없이 깊이 있는 측정이 요구되는 환경
정밀 베어링 하우징 (Bearing Housing): 입구 모따기(Chamfer)가 되어 있어 일반 게이지로는 정확한 위치를 잡기 어려운 경우
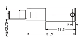
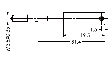
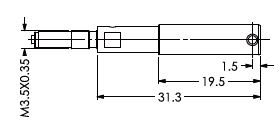
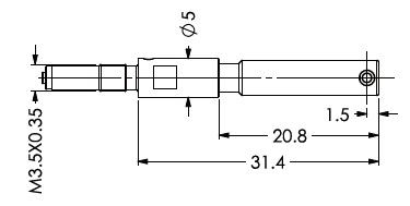
⚙️ 상세 사양 (Specifications)
※ 측정 범위별 제품 형상(도면) 및 상세 규격은 아래 표를 참고하세요.
Probe Specification (측정 범위 & 도면)
Repeatability (반복 정밀도)
Probe Range (측정 유효 범위)
Connect Thread (연결 나사)
Measurement Point Height (측정점 높이) [mm]
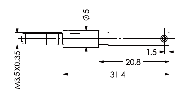
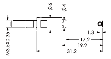
Φ3.0 - 3.5
< 0.001
0.15
M3.5 x 0.35 (옵션: M11)
1.3
Φ3.5 - 4.0
< 0.001
0.15
M3.5 x 0.35 (옵션: M11)
1.5
Φ4.0 - 4.6
< 0.001
0.2 - 0.25
M3.5 x 0.35 (옵션: M11)
1.5
Φ4.6 - 5.8
< 0.001
0.2 - 0.25
M3.5 x 0.35 (옵션: M11)
1.5
Φ5.8 - 7.0
< 0.001
0.2 - 0.25
M3.5 x 0.35 (옵션: M11)
1.5
Φ7.0 - 9.0
< 0.001
0.2 - 0.25
M6 x 0.75 (옵션: M11)
2.0
Φ9.0 - 14.0
< 0.001
0.2 - 0.4
M6 x 0.75 (옵션: M11)
2.0
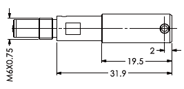
Φ14.0 - 25.0
< 0.001
0.2 - 0.4
M10 x 1 (옵션: M11)
2.8
Φ25.0 - 35.0
< 0.001
0.2 - 0.4
M10 x 1 (옵션: M11)
4
Φ35.0 - 45.0
< 0.001
0.2 - 0.4
M10 x 1 (옵션: M11)
4.5
Φ45.0 - 60.0
< 0.001
0.2 - 0.4
M10 x 1 (옵션: M11)
4.5
Φ60.0 - 200
0.0015
0.3 - 0.4
M10 x 1 (옵션: M11)
4.5
❓ 자주 묻는 질문 (FAQ)
Q. B-타입(표준형)과 T-타입(관통형) 중 무엇을 선택해야 하나요? (예: PGD-B-M10 vs PGD-T-M10)
A. 구멍 입구의 간섭이나 변형을 피하고 싶다면 무조건 B-타입(표준형)을 추천합니다. T-타입은 입구 1.5mm 지점을 측정하지만, B-타입(M10 기준)은 4.5mm 깊이까지 들어가 측정하므로 훨씬 안정적입니다. 단, 바닥이 막힌 구멍의 맨 끝단을 측정해야 한다면 FB-타입(블라인드 홀)을 선택하십시오.
Q. 현장 환경이 거친데 내구성은 어떤가요? (소재 및 수명)
A. Dasqua B-타입은 일반 담금질 강철(GCr15) 대신 고품질 분말 공구강(Powder Tool Steel)을 사용하여 경도 HRC 58~62를 달성했습니다. 이는 일반 제품 대비 3~4배 더 긴 수명을 보장하며, 녹 방지 성능도 뛰어납니다. 더 강력한 내구성이 필요하다면 나사부가 강화된 M11 옵션도 선택 가능합니다.
Q. 측정 시 게이지를 돌려봐도 값이 흔들리지 않나요? (회전 측정 안정성)
A. 네, 가능합니다. Dasqua B-타입은 접선 마찰(Tangential friction) 오차를 최소화한 설계가 적용되어 있습니다. 진원도를 확인하기 위해 구멍 안에서 게이지를 회전시켜도 지시치 변화가 거의 느껴지지 않을 만큼 안정적인 값을 제공합니다.
Dasqua (다스쿠아)
PGD-B 시리즈 표준형 내경 플러그 게이지 (B-Type Bore Plug Gauge)
4.5mm 깊이 측정, HRC 58-62 분말 공구강, 플로팅 엘라스토머 구조
📝 PGD-B (표준형) 핵심 요약
🏭 추천 적용 분야 (Applications)
⚙️ 상세 사양 (Specifications)
※ 측정 범위별 제품 형상(도면) 및 상세 규격은 아래 표를 참고하세요.
(측정 범위 & 도면)
(반복 정밀도)
(측정 유효 범위)
(연결 나사)
(측정점 높이) [mm]
(옵션: M11)
(옵션: M11)
(옵션: M11)
(옵션: M11)
(옵션: M11)
(옵션: M11)
(옵션: M11)
(옵션: M11)
(옵션: M11)
(옵션: M11)
(옵션: M11)
(옵션: M11)
❓ 자주 묻는 질문 (FAQ)
Q. B-타입(표준형)과 T-타입(관통형) 중 무엇을 선택해야 하나요? (예: PGD-B-M10 vs PGD-T-M10)
A. 구멍 입구의 간섭이나 변형을 피하고 싶다면 무조건 B-타입(표준형)을 추천합니다. T-타입은 입구 1.5mm 지점을 측정하지만, B-타입(M10 기준)은 4.5mm 깊이까지 들어가 측정하므로 훨씬 안정적입니다. 단, 바닥이 막힌 구멍의 맨 끝단을 측정해야 한다면 FB-타입(블라인드 홀)을 선택하십시오.
Q. 현장 환경이 거친데 내구성은 어떤가요? (소재 및 수명)
A. Dasqua B-타입은 일반 담금질 강철(GCr15) 대신 고품질 분말 공구강(Powder Tool Steel)을 사용하여 경도 HRC 58~62를 달성했습니다. 이는 일반 제품 대비 3~4배 더 긴 수명을 보장하며, 녹 방지 성능도 뛰어납니다. 더 강력한 내구성이 필요하다면 나사부가 강화된 M11 옵션도 선택 가능합니다.
Q. 측정 시 게이지를 돌려봐도 값이 흔들리지 않나요? (회전 측정 안정성)
A. 네, 가능합니다. Dasqua B-타입은 접선 마찰(Tangential friction) 오차를 최소화한 설계가 적용되어 있습니다. 진원도를 확인하기 위해 구멍 안에서 게이지를 회전시켜도 지시치 변화가 거의 느껴지지 않을 만큼 안정적인 값을 제공합니다.
- 제품의 사양 및 옵션은 데이터시트를 참고하여 주시고, 자세한 내용은 문의 바랍니다.
- 사양은 성능 개선을 위해 예고 없이 변경될 수 있습니다.
📧 haiam@haiam.com 문의하기