산업용 정밀 계측의 모든 것 

"극한의 산업 현장부터 초정밀 연구실까지,
엄격하게 검증된 글로벌 표준 센서를 만나보세요."

비회전형 토크센서

센서솔루션센서솔루션 NF 플랜지 타입 비회전 토크센서 - 10kgf·cm~2000kgf·m (초대형 용량) | (주)해암이엔지

센서솔루션 NF 플랜지 타입 비회전 토크센서 Reaction Torque Sensor 초대형 용량

센서솔루션(Sensor Solution)

NF 플랜지 타입 비회전 토크센서 (Flange Type Reaction Torque Sensor)

10kgf·cm ~ 2000kgf·m 초대형 용량, 양단 플랜지(Flange) 볼트 체결 구조

상세 모델명: NF-10KC NF-20KC NF-50KC NF-100KC NF-200KC NF-500KC NF-1000KC NF-20K NF-50K NF-100K NF-200K NF-500K NF-1000K NF-2000K

📝 NF 시리즈 핵심 요약

  • 견고한 플랜지 연결 (Flange Type): 양쪽 면이 평평한 플랜지 형태로 되어 있어 볼트로 단단히 고정할 수 있으며, 축 정렬이 용이하고 진동에 강합니다.
  • 초대형 용량 라인업: 최소 10kgf·cm부터 최대 2000kgf·m(약 20kN·m)까지 폭넓은 라인업을 보유하여 대형 선박 부품이나 중장비 테스트도 가능합니다.
  • 정적 토크 측정 솔루션: 회전하지 않는 고정체(Reaction)의 비틀림이나 제동력을 측정하는 센서로, 0.25% R.O의 높은 정밀도를 보장합니다.
  • 안정적인 구조: 원통형 바디에 플랜지가 결합된 구조로 비틀림 강성이 뛰어나며, 과부하(150%) 상황에서도 센서를 보호합니다.
  • 간편한 설치: 별도의 커플링 없이 지그나 브라켓에 직접 볼팅할 수 있어 설치 공간을 절약하고 기구적인 오차를 줄여줍니다.



🏭 추천 적용 분야 (Applications)

  • 대형 감속기 및 엑추에이터 시험: 높은 토크가 발생하는 산업용 감속기나 밸브 액추에이터의 출력 토크를 플랜지 면에 직접 고정하여 정밀하게 측정합니다.
  • 브레이크 및 클러치 성능 검사: 자동차나 산업기계용 브레이크 시스템의 제동 토크(Braking Torque)를 측정하여 제품의 내구성과 성능을 검증합니다.
  • 로봇 관절 부하 테스트: 로봇 암(Arm)이나 관절 부위에 부착하여 동작 시 발생하는 정적 부하와 비틀림 모멘트를 모니터링합니다.



⚙️ 사양 (Specifications)

SpecificationsDetail
정격 용량 (Rated Capacity)[소용량 kgf·cm] 10, 20, 50, 100, 200, 500, 1000
[대용량 kgf·m] 20, 50, 100, 200, 500, 1000, 2000
정격 출력 (Rated Output)1.3 ± 0.3 mV/V
종합 오차 (Combined Error)≤ 0.25% R.O
반복성 (Repeatability)≤ 0.25% R.O
크리프 (Creep, 30min)≤ 0.25% R.O
영점 밸런스 (Zero Balance)0 ± 0.05 mV/V
입/출력 저항 (Resistance)352Ω ± 1%
절연 저항 (Insulation Resistance)> 200MΩ
출력의 온도 영향≤ 0.2% LOAD / 10℃
영점의 온도 영향≤ 0.2% R.O. / 10℃
인가 전압 (Excitation Voltage)5V, 10V DC
허용 과부하 (Safe Overload)150% R.C.
온도 보상 범위-10 ~ 60℃
케이블 (Cable)Φ5 Shield 5m



🏷️ 모델명 구성 (Ordering Info)

NF Series Ordering Code

※ 용량에 따라 모델명 접미사와 단위가 다릅니다. (KC: kgf·cm / K: kgf·m)

모델명 (Model)용량 (Capacity)단위 (Unit)
NF-10KC ~ 1000KC10 ~ 1000kgf·cm
NF-20K ~ 2000K20 ~ 2000kgf·m
NF-10KC NF-20KC NF-50KC NF-100KC NF-200KC NF-500KC NF-1000KC
NF-20K NF-50K NF-100K NF-200K NF-500K NF-1000K NF-2000K



❓ 자주 묻는 질문 (FAQ)

Q. 플랜지(NF) 타입과 샤프트(NS) 타입의 차이점은 무엇인가요?

A. 연결 방식의 차이입니다. NF 시리즈는 양쪽이 평평한 플랜지로 되어 있어 볼트로 강하게 체결할 수 있어 고하중/고토크 측정에 유리합니다. 반면 NS 시리즈는 샤프트 축으로 되어 있어 커플링이나 키 연결이 필요한 곳에 적합합니다.

Q. 2000kgf·m까지 측정 가능한가요? 엄청 큰 용량 같은데요?

A. 네, 맞습니다. NF 시리즈는 최대 2000kgf·m (약 19.6kN·m)의 초대형 토크까지 측정할 수 있는 모델을 보유하고 있습니다. 선박 엔진 부품, 대형 밸브, 중장비 구동축 등 큰 힘이 걸리는 산업 현장에서도 안정적인 측정이 가능합니다.

Q. 센서가 회전하면서 측정할 수 있나요?

A. 아닙니다. NF 시리즈는 비회전형(Reaction) 센서입니다. 회전하지 않는 고정체에 설치하여 비틀림 반력을 측정하거나, 각도 변위가 매우 적은(90도 미만) 구간에서의 토크 측정에만 사용해야 합니다. 회전체 측정 시에는 슬립링 타입이나 무선 타입 센서를 선정해야 합니다.



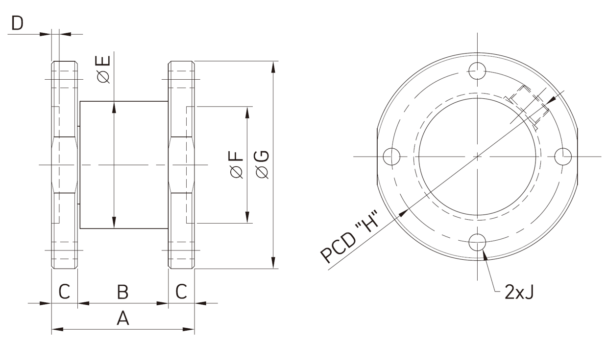
📐 도면 (Drawing)

NF Series Dimensions

센서솔루션 NF 시리즈 소용량 토크센서 도면센서솔루션 NF 시리즈 대용량 토크센서 도면



  • 제품의 사양 및 옵션은 데이터시트를 참고하여 주시고, 자세한 내용은 문의 바랍니다.
  • 사양은 성능 개선을 위해 예고 없이 변경될 수 있습니다.
 📧 haiam@haiam.com 문의하기