산업용 정밀 계측의 모든 것 

"극한의 산업 현장부터 초정밀 연구실까지,
엄격하게 검증된 글로벌 표준 센서를 만나보세요."

비회전형 토크센서

비회전형 토크센서 2110

honeywell

비회전형 토크센서

-

db9a2d4ffefe9.jpg


  ● 요약정보
  • 비회전형 토크센서



  ● 사양

SpecificationsAccuracy
정격 용량225Nm~271186Nm
정격 출력2.mV / V (nominal)
비선형성0.1% RO
히스테리시스0.1% RO
반복성0.05 % RO
최대 인가 전압20VDC 이하 
사용 온도 범위-54 °C to 93 °C [-65 °F to 200 °F] 
보상 온도 범위21 °C to 77 °C [70 °F to 170°F ]
온도에 따른 영점의 영향± 0.002 % RO / °F
온도에 따른 출력의 영향± 0.002 % /  °F
허용과부하150 % RC



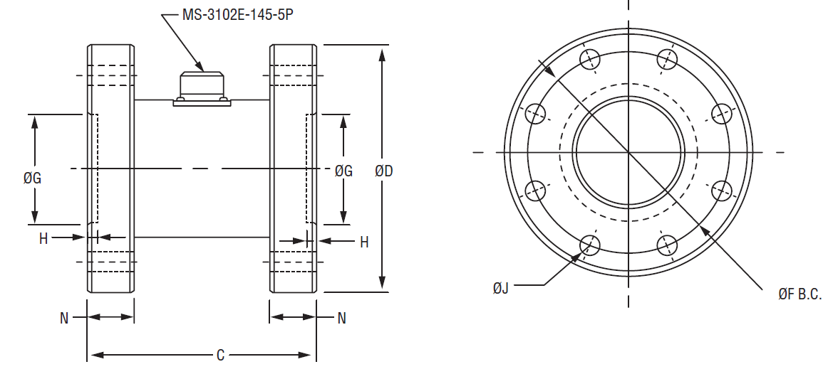
  ● 도면

9a6211dc01a90.png

* 단위: cm [in]

모델CDFGHNJ
2110-2K, -5K
7,62 [3]
10,16 [4]
8,26 [3.25]
3,81 [1.50]
0,32 [0.13]
1,27 [0.50]
0,83 [0.33]
2111-10K, -20K
8,89 [3.50]
12,70 [5]
10,80 [4.25]
5,08 [2.00]
0,64 [0.25]
1,91 [0.75]
0,99 [0.39]
2112-50K, -100K
18,73 [7.38]
20,32 [8]
16,51 [6.50]
8,89 [3.50]
0,79 [0.31]
3,81 [1.50]
1,63 [0.65]
2113-200K
21,59 [8.50]
24,77 [9.75]
20,32 [8]
10,16 [4]
0,79 [0.31]
3,81 [1.50]
1,94 [0.77]
2114-300K, -500K
26,67 [10.50]
35,63 [14]
27,94 [11]
15,24 [6]
0,79 [0.31]
5,08 [2]
2,59 [1.02]
2115-600K, -750K
26,67 [10.50]
38,10 [15]
30,48 [12]
15,24 [6]
0,79 [0.31]
5,08 [2]3,85 [1.52]
2116-1200K, -2400K
40,64 [16]
50,80 [20]
40,64 [16]
20,32 [8]
1,27 [0.50]
5,08 [2]3,86 [1.52]


  • 제품의 사양은 성능 개선을 위해 예고 없이 변경될 수 있습니다.