산업용 정밀 계측의 모든 것 

"극한의 산업 현장부터 초정밀 연구실까지,
엄격하게 검증된 글로벌 표준 센서를 만나보세요."

비회전형 토크센서

LORENZ로렌츠 D-2452 / D-2452-P 반력 토크센서 - 0.005N·m~20kN·m (정적토크/키홈) | (주)해암이엔지

Lorenz Messtechnik D-2452 비회전형 반력 토크센서 정적 토크 측정

Lorenz Messtechnik(독일)

D-2452 / D-2452-P 비회전형 반력 토크센서

0.005N·m~20kN·m, IP50, 페더 키(Keyway) 옵션 지원

상세 모델명: D-2452 D-2452-P

📝 D-2452 시리즈 핵심 요약

  • 광범위한 측정 범위: 0.005 N·m 초저용량부터 20,000 N·m 고용량까지 라인업 보유
  • 연결 방식 선택: 일반 원통형 샤프트(D-2452) 및 키홈(Feather Key, D-2452-P) 옵션 제공
  • 과부하 보호: 0.02 N·m 이하 초저용량 모델에 기계적 과부하 방지 기능 내장
  • 높은 정밀도: 0.1%의 정밀도와 뛰어난 비틀림 강성으로 정확한 반력 측정 가능
  • 컴팩트 디자인: 소형 경량화 설계로 협소한 공간의 테스트 벤치 및 자동화 장비에 최적



🏭 추천 적용 분야 (Applications)

  • 모터 및 엔진 테스트 벤치: 고정된 상태에서의 기동 토크 및 반력 토크 정밀 측정
  • 부품 품질 관리(QA): 스위치 동작력 테스트, 병뚜껑 개폐 토크 측정 등 소형 부품 검사
  • 공정 제어 및 자동화: 나사 체결력 모니터링 및 조립 공정의 토크 제어



⚙️ 사양 (Specifications)

항목 (Item)상세 (Detail)
정격 토크 (Rated torque)0.005 ... 20,000 N·m
정밀도 등급 (Accuracy class)0.1 % (옵션: 0.05%)
상대 반복성 오차±0.02 %
브리지 저항 (Bridge resistance)1000 Ω (≥500 N·m: 2000 Ω)
공급 전압 (Supply voltage)2 ... 12 VDC
사용 온도 범위-15 ... +55 °C
최대 작동 토크정격의 150%
보호 등급 (Protection)IP50



🏷️ 모델명 구성 (Ordering Info)

D-2452 / D-2452-P Series

※ 모델별 상세 사양(출력, 강성 등)은 데이터시트를 참고하세요.

구분용량 (Capacity)샤프트 형태
초저용량0.005 ~ 10 N·m원통형 (D-2452)
중용량20 ~ 500 N·m원통형 / 키홈 (P)
고용량1,000 ~ 20,000 N·m키홈 기본 적용 (P)
D-2452 D-2452-P



❓ 자주 묻는 질문 (FAQ)

Q. D-2452와 D-2452-P 모델의 차이점은 무엇인가요?

A. 두 모델은 기본 사양은 동일하나 샤프트 형상에 차이가 있습니다. D-2452는 매끄러운 원통형(Cylindrical) 샤프트로 마찰 체결 방식에 적합하며, D-2452-P는 페더 키(Feather Key, 키홈)가 가공되어 있어 고토크 전달 시 미끄러짐을 방지하고 더욱 견고한 결합이 가능합니다.

Q. 0.02 N·m 이하의 초저용량 모델 사용 시 주의사항은?

A. 0.005, 0.01, 0.02 N·m와 같은 극초소형 용량 모델은 취급 시 주의가 필요합니다. 하지만 D-2452 시리즈의 해당 용량대 제품에는 기계적인 과부하 방지(Overload Protection) 장치가 내장되어 있어, 설치나 운용 중 발생할 수 있는 우발적인 과부하로부터 센서를 안전하게 보호합니다.

Q. 케이블 연결 방식과 사용 환경은 어떤가요?

A. 기본적으로 3m 길이의 쉴드 케이블이 제공됩니다. 사용 온도 범위는 -15°C에서 +55°C이며, 보호 등급은 IP50으로 일반적인 실험실이나 실내 산업 환경에서 사용하기에 적합합니다.



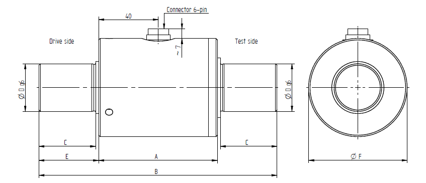
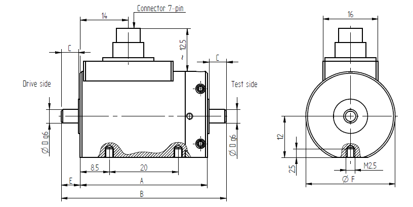
📐 도면 (Drawing)

D-2452: 0.005 / 0.01 / 0.02 N·m (초저용량)

D-2452 초저용량 도면

ABCØDEØFWeight [kg]
3748545.5260.1

D-2452: 0.05 ~ 10 N·m (저용량)

D-2452 저용량 도면

Rated Torque [N·m]ABCØDEØFWeight [kg]
0.054865768320.1
0.1~5488517818320.1
104885171018320.2

D-2452: 20 ~ 20,000 N·m (중/고용량)

D-2452 중용량 도면D-2452 고용량 도면

Rated Torque [N·m]ABCØDEØFWeight [kg]
2073111.5181819510.5
50/10073147.5361837510.6
200/50079.5159.5383240661.5
1000107262585066977.0
2000/50001073771107012611213.5
10000/2000014047012011016017342.5

D-2452-P: Feather Key Models (키홈 사양)

D-2452-P 키홈 모델 도면

Rated Torque [N·m]BØDCLFeather KeyWeight [kg]
0.1~585817142x2x140.1
10851017143x3x140.2
20111.51818146x6x140.5
50/100147.51836306x6x300.6
200/500159.532383610x8x361.5
100026250585014x9x507.0
2000/50003777011010020x12x10013.5
10000/2000057011017016028x16x16042.5



  • 제품의 사양 및 옵션은 데이터시트를 참고하여 주시고, 자세한 내용은 문의 바랍니다.
  • 사양은 성능 개선을 위해 예고 없이 변경될 수 있습니다.
 📧 haiam@haiam.com 문의하기