산업용 정밀 계측의 모든 것 

"극한의 산업 현장부터 초정밀 연구실까지,
엄격하게 검증된 글로벌 표준 센서를 만나보세요."

비회전형 토크센서

LORENZ로렌츠 DH-15 비회전형 반력 토크센서 - 0.005N·m~20N·m (스크류 체결/과부하 방지) | (주)해암이엔지

Lorenz Messtechnik DH-15 비회전형 반력 토크센서 스크류 체결 과부하 방지

Lorenz Messtechnik(독일)

DH-15 비회전형 반력 토크센서 (Reactive Torque Sensor)

0.005N·m~20N·m, IP50, 기계적 과부하 방지(≤2N·m), 플랜지/샤프트 복합형

상세 모델명:DH-15

📝 DH-15 시리즈 핵심 요약

  • 스크류 체결 공정 최적화: 반력 토크를 정밀하게 측정하여 나사 체결 품질 검사에 적합
  • 강력한 과부하 보호: 2 N·m 이하 저용량 모델에 기계적 과부하 방지(Overload Protection) 기능 내장
  • 유연한 설치 구조: 한쪽은 플랜지(Flange), 다른 한쪽은 원통형 샤프트(Cylindrical Shaft)로 다양한 설비 호환
  • 초소형/초정밀: 0.005 N·m부터 시작하는 폭넓은 미세 용량과 0.2%의 높은 정밀도
  • 높은 비틀림 강성: 빠르고 정확한 응답성을 보장하여 자동화 라인에 이상적



🏭 추천 적용 분야 (Applications)

  • 스크류/나사 체결 공정: 자동 체결기(Nut runner) 및 드라이버의 조임 토크 모니터링
  • 정밀 부품 조립 및 검사: 전자제품, 시계, 의료기기 등 소형 정밀 부품의 조립 품질 관리
  • 자동화 머시닝 센터: 소형 모터 테스트, 스위치 조작력 측정 등 다양한 자동화 설비 통합



⚙️ 사양 (Specifications)

항목 (Item)상세 (Detail)
정격 토크 (Rated torque)0.005 ... 20 N·m
정밀도 등급 (Accuracy class)0.2 % (Optional: 0.1%)
상대 반복성 오차±0.02 %
브리지 저항 (Bridge resistance)1000 Ω (≥1 N·m: 350 Ω)
공급 전압 (Supply voltage)2 ... 12 VDC
사용 온도 범위-15 ... +55 °C
최대 작동 토크정격의 150%
파괴 토크 (Breaking torque)정격의 300% 초과 (≤2 N·m: 800% 초과)
보호 등급 (Protection)IP50



🏷️ 모델명 구성 (Ordering Info)

DH-15 Series

※ 모델별 상세 사양(강성, 관성모멘트 등)은 아래 표를 참고하세요.

구분용량 (Capacity)특징 (Feature)
초저용량군0.005 ~ 0.1 N·m과부하 방지 내장
저용량군0.2 ~ 2 N·m과부하 방지 내장
중용량군5 ~ 20 N·m고강성 설계
DH-15



❓ 자주 묻는 질문 (FAQ)

Q. 스크류 체결 공정에 DH-15가 적합한 이유는 무엇인가요?

A. DH-15는 한쪽은 플랜지, 다른 쪽은 샤프트 형태로 설계되어 드라이버 비트나 모터 축에 쉽게 연결할 수 있습니다. 특히 과부하 방지 기능이 내장된 모델(2 N·m 이하)은 체결 순간 발생하는 급격한 토크 스파이크로부터 센서를 보호하여 내구성이 뛰어납니다.

Q. 107773(0.005N·m) 모델과 같은 초저용량도 안전한가요?

A. 네, 2 N·m 이하의 모든 모델(107773 ~ 100330)은 정격 용량의 800% 이상에 달하는 파괴 토크 내성을 가지고 있습니다. 기계적인 스토퍼가 내장되어 있어 취급 부주의나 오작동으로 인한 파손 위험을 획기적으로 줄였습니다.

Q. 설치 방식이 궁금합니다. (Flange vs Shaft)

A. 센서 본체의 한쪽 면은 플랜지 형태로 장비나 브라켓에 견고하게 고정할 수 있으며, 반대편 돌출된 샤프트는 커플링 등을 통해 측정 대상(회전체 혹은 고정체)과 연결합니다. 이러한 복합 구조는 설치 공간을 절약하면서도 안정적인 지지력을 제공합니다.



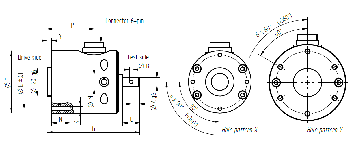
📐 도면 (Drawing)

DH-15 도면

Nominal Torque [N·m]ØAØBCØDØEGKLØMNPWeight [kg]
0.005 / 0.013-54458-3861013330.3
0.02~262.5124465-3861013330.4
5 / 10 / 20124185465-4481414310.6




  • 제품의 사양 및 옵션은 데이터시트를 참고하여 주시고, 자세한 내용은 문의 바랍니다.
  • 사양은 성능 개선을 위해 예고 없이 변경될 수 있습니다.
📧 haiam@haiam.com 문의하기